技术白皮书
article
热门搜索:
更新时间:2026-01-17
点击次数: TD301D232H/ TD501D232H,是一种高速单路隔离型RS-232收发器,适用于双向数据通信,最.高波特率可达115.2kbps。该收发器内部集成隔离型DC/DC变换器,只需单电源供电,PG电子科技发展有限公司就可实现控制器与RS-232收发器之间的电气隔离,最.高隔离电压达2500VDC,无需另外配置隔离电源,方便用户应用。由于控制地与总线地之间完全隔离,使其能承受更高的共模电压。内部集成防静电功能的元件,通过IEC61000-4-2空气放电测试,人体模型(HBM)超过±15kV的ESD防护能力。采用双列直插DIP8封装,具有体积小,集成度高的特点。
/TD501D232H,PG电子科技发展有限公司是一种高速单路隔离型RS-232收发器,适用于双向数据通信,最.高波特率可达115.2kbps。该收发器内部集成隔离型DC/DC变换器,只需单电源供电,就可实现控制器与RS-232收发器之间的电气隔离,最.高隔离电压达2500VDC,无需另外配置隔离电源,方便用户应用。由于控制地与总线地之间完全隔离,使其能承受更高的共模电压。内部集成防静电功能的元件,通过IEC61000-4-2空气放电测试,人体模型(HBM)超过±15kV的ESD防护能力。采用双列直插DIP8封装,具有体积小,集成度高的特点。
(2)此参数限 232 通信端口, 即 RIN、 TOUT、 RGND,测试时模块初级不接地。
(3)如没有特殊说明,本手册中的参数都是在 25℃,湿度 40%~75%,输入标称电压下测得。

RSM232 隔离收发器模块 RXD 和 TXD 引脚支持 3.3V 和 5V 系统电平,可直接嵌入电路板中,通过串行接口与外部设备通讯。若用户需通过 DB9 串口线连接外部设备,需考虑 DB9 串口线的内部连接情况, DB9 串口线 引脚直接连接和交叉连接两种。 图 1、图 2分别给出了 RSM232 模块与 MCU 串行接口连接, 232 通道使用直连、 交叉串口线与外部设备通讯的典型连接电路。

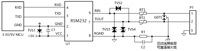
RSM232 模块若应用于环境比较恶劣(如高压电力、雷击等环境) 的场合,为确保模块可靠工作, 建议用户在模块 TOUT、 RIN 线端外加 TVS 管、防雷管等器件构成端口保护电路。 具体推荐的应用电路如图 3 所示,推荐参数如表1 所示。 推荐电路图和参数值只做参考,请根据实际情况来确定是否需要电路图中的器件。

若需要满足特定的浪涌等级要求,建议使用图3所示的推荐保护电路,表1给出了一组推荐的器件参数,推荐电路图和参数值只做参考,请根据实际情况来确定适当的参数值